Сфера использования энергосберегающих ламп
Большинство лампочек экономного характера применяются в быту. Устанавливают подобные приспособления в традиционных люстрах, бра, плафонах, настенных светильниках. Для дома стали применять лампы со стандартным цоколем.
На производстве используется люминесцентная лампа с целью максимальной экономии энергоснабжения, в этих случаях применяются лампочки номинала от 100 до 200 Ватт. Приборы считаются незаменимыми в комнатах с высокими потолками. Сосредоточено применение на животноводческих фермах, так как лампы не выводят химических токсинов под воздействием температуры.
Особенности восприятия цвета
Человеческий глаз устроен таким образом, что чутко улавливает изменения цветовой температуры в диапазоне от 2500 до 10000 К. При этом ученые доказали, что именно от этого параметра освещения во многом зависит психосоматическое состояние.
Влияние цвета на эмоции
Самая приятная для человеческого глаза температура света относится к оранжевому и желтому спектру. Такой свет успокаивает и расслабляет. Лампы с такой цветовой температурой рекомендуют использовать в утренние и вечерние часы, чтобы сделать приятным пробуждение и полноценно отдохнуть после работы.
Холодные оттенки хороши для работы. Неслучайно в офисах чаще всего устанавливают лампы с холодным белым светом: они помогают сконцентрироваться, не дают отвлекаться от дел. Однако дома такие лампочки будут играть в минус: они перегружают нервную систему, могут спровоцировать тревожное состояние и бессонницу.
Оттенки, тяготеющие к синему спектру (цветовая температура более 6000 К) дают максимальное цветоразличение и четкость восприятия объектов, однако пребывание в помещении с таким светом в течение длительного времени вредит здоровью. Как правило, подобные лампы устанавливают в музеях, чертежных мастерских, ювелирных магазинах, в комнатах осмотра в больницах и т.д.
Связь цветовой температуры и освещения
Если уровень освещенности низкий, то лучше всего воспринимаются теплые тона, как у обычной лампы накаливания. Такое освещение может расслаблять и успокаивать. Если увеличивать уровень освещенности, то возникнет обратный эффект, цвета начнут искажаться и находиться в помещении будет некомфортно. В то же время если вкрутить одну лампочку с высокой цветовой температурой на большое помещение, появится ощущение тревожности (вспомните, как люди воспринимают лунный свет).
Примерная закономерность выглядит так:
- освещенность менее 700 Лк — выберите теплый свет (до 2700-3400 К);
- освещенность 700-2500 Лк — выберите холодный свет (3000-5000 К).
Вот диаграмма, которая показывает, как изменяется восприятие цветовой температуры в зависимости от уровня освещенности:
Еще одна интересная закономерность между цветовой температурой и освещением касается видимости в «зашумленной» оптической среде
Вы обращали внимание, что противотуманные фары имеют желтый свет? Дело в том, что длина волны у него в несколько раз больше, чем у белого света. Желтый свет не отражается от мелких предметов (в частности, водяной пыли), а огибает их
За счет этого при включении противотуманных фар водитель видит дорогу дальше, чем если бы использовал дальние фары с белым светом.
Правила выбора энергосберегающих ламп
Лампочки накаливания настолько долго были в обиходе, что подбирая экономную замену, мы ориентируемся исключительно на показатель мощности.
Для большего понимания многие производители непосредственно на упаковке, указывают эквивалент мощности в сравнении со световым потоком обычной вакуумной лампы.
Для ясности, стоит обозначить, что мощность и светопоток – это разные показатели. Первая величина измеряется в ваттах, вторая – в люменах. Например, лампочка накала в 40 Вт излучает свет в 470-500 лм, 60 Вт – 700-850 лм, 75 Вт – 900-1200 лм.
Выбирая необходимую яркость ЭЛ можно отталкиваться от коэффициента мощности. В люминесцентах он равен 5. Если лампочка мощностью 12 В – это означает, что ее люминесцентный аналог эквивалентен 60 Вт. Для LED – 7-8
Именно соотношение этих двух факторов — мощность и светопоток — позволяет судить об экономичных показателях прибора. Общее значение измеряется в лм/Вт.
Вот еще один пример: стандартная светотехника на 1 Вт потребляемого электричества дает 10-15 лм света. У галогенных — 15-20 лм/Вт, люминесцентных — 40-80 лм/Вт и у светодиодных лидеров – 60-90 лм/Вт.
Однако это не единственный аспект, требующий внимания
Важно обратить внимание на следующие характеристики:
- Цветовая температура. Если взять лампы идентичной мощности, но разной модификации, цвет их излучения может быть разным. Это значение измеряется в кельвинах. Выбор может быть сделан в диапазоне 2700-6500 К. Чем меньше значение, тем теплее (желтый) свет.
- Индекс цветопередачи. Показателем корректной цветопередачи является солнечный свет – CRI=100. Искусственное освещение еще не достигло таких параметров. Здесь отталкиваться необходимо от оптимального CRI=80 и более.
- Эксплуатационный срок. Производители указывают эту величину в часах. Однако такая маркировка не для всех удобна. Представим ее в годах: галогенная — 2 года, люминесцентная – 5 лет, LED – до 12 лет.
- Тип патрона. Форма цоколя подбирается под конкретную модель светильника. Стандартный вариант как у лампы накаливания – Е27.
При выборе формы колбы, здесь играет роль исключительно эстетическая сторона. Однако стоит учесть, что слишком большая лампа может не поместиться в стеклянное обрамление светильника.
Реализовать регулировку яркости энергосберегающего люминесцента довольно недешевое удовольствие, да и явная разница работы с диммером и без здесь будет мало заметна
Для оправдания всех ожиданий, стоит уделить внимание и производителям, чья продукция уже успела положительно зарекомендовать себя: Philips, OSRAM, GE, Ecola. Эти фирмы предлагают гарантийный срок на свои изделия 2-3 года
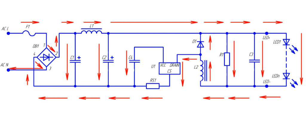
Схема работы филаментной лампы
Как работает вся эта схема? После подачи напряжения ток поступает на цоколь
светильника (его нижний контакт).
Проходя через предохранитель (F1), он выпрямляется диодным мостом (DB1). Из переменного тока мы получаем постоянный.

Далее вступают в дело конденсаторы (С1-С2) и дроссель (L1). Они сглаживают ток.
Дойдя до микросхемы (U1), он опять проходит преобразование и превращается в высокочастотные импульсы, которые сглаживаются конденсатором. Пробежав всю эту цепочку, ток наконец проходит через светодиоды филаментов и возвращается обратно в сеть.
Стабилизация тока, протекающего через филаменты, происходит через микросхему регулятора с помощью измерительного сопротивления (RS1).
Корреляция цветовой температуры
Во время увеличения температуры происходит накаливание. Если лампа находится в раскаленном состоянии, цвета на шкале цветовой температуры начинают поочередно меняться. Простые лампы накаливания имеют температуру цвета, равную 2700 К, в то время как их свечение и градусы расположены в теплом диапазоне спектра. Температура же светодиодных ламп не указывает на уровень их нагревания: при показателе в 2700 К лампа нагревается до +80°С.
Индекс цветопередачи CRI (Ra), именуемый еще коэффициентом цветопередачи, – это величина, которая характеризует степень соответствия естественного цвета предмета его видимому цвету при освещении его данным световым источником. Необходимость введения этого параметра связана с тем, что 2 разных вида ламп могут обладать одинаковой температурой цвета, при этом передавая оттенки по-разному.
Как освещение влияет на наше настроение и качество жизни?
Освещение в нашем доме играет намного большую роль, чем мы можем себе представить. Оно оказывает значительное влияние на наше настроение и качество жизни. Плохо спроектированное или неправильное освещение может вызывать усталость, дискомфорт и даже негативное воздействие на психическое здоровье.
Влияние настроения
Хорошее освещение способно повысить наше настроение и поднять дух. Теплый и мягкий свет создает уют и комфорт в помещении, что способствует релаксации и снижению стресса. Наоборот, жесткий и яркий свет, такой как свет от ярких лампочек или белых стен, может вызывать напряжение и дискомфорт.
Влияние на качество сна
Освещение играет важную роль в нашем сне. Естественное освещение помогает регулировать наш циркадный ритм и способствует здоровому сну. Отсутствие достаточного естественного света в дневное время может вызывать сонливость и влиять на производительность. При выборе и установке искусственного освещения, необходимо учитывать его способность имитировать естественное освещение, чтобы создать благоприятные условия для сна.
Влияние на зрение
Неправильное освещение может оказывать негативное воздействие на зрительную систему. Слишком темное или тусклое освещение может вызывать напряжение глаз и ухудшение зрения. Слишком яркое освещение может привести к ослеплению и раздражению глаз. При выборе и размещении светильников необходимо учитывать потребности зрительной системы, обеспечивая комфортное и оптимальное освещение.
В целом, правильное освещение в нашем доме является важным аспектом нашей жизни. Оно способно улучшить наше настроение, сон и зрение
Поэтому, при проектировании и ремонте нашего жилья, стоит уделить должное внимание выбору и размещению осветительных приборов, чтобы создать комфортные и благоприятные условия для нашей жизни
Светодиодное освещение
Освещение на диодах — один из наиболее распространенных типов осветительных приборов. Цветовая температура диодов характеризуется тремя основными оттенками:
- Белый в теплой гамме (за рубежом обозначается как Warm White) — до 3300 К.
- Натуральный белый (Neutral White) — до 5000 К.
- Белый в холодной гамме (Cool White) — более 5000 К.
Температурные особенности светодиодов в значительной степени определяют сферы их применения. Прежде всего, диоды используются в уличном освещении, на рекламных билбордах, а также в автомобильной светотехнике.

Обратите внимание! Цветовая температура диодов позволяет не только установить контрастность, но и дает возможность определиться с тем, как будет восприниматься свет при смене погоды
Белый свет в холодной гамме
Самой большой точностью восприятия отличается солнечное освещение. Для прочих же источников света характерны значительно более низкие показатели. К примеру, для большинства светодиодных светильников показатель температуры находится в границах 5000-8000 Кельвинов. Средний показатель передачи по соответствующему индексу не превышает 65 единиц.

К достоинствам источников света в холодной цветовой гамме относится их высокая контрастность, что очень хорошо при освещении затемненных предметов. Светодиоды, благодаря возможности функционирования на больших расстояниях, — лучший выбор для освещения дорожного покрытия.
Нейтральный и теплый свет
Следует учитывать, что холодные оттенки в наибольшей степени искажают восприятие цветов. Для холодного цвета характерна резкость, благодаря чему достигается контрастность, однако для человеческого глаза это вредно.

Теплая гамма менее раздражающе действует на зрение. В диапазоне 2500-6000 К индекс цветопередачи повышается до 75-80 единиц, и подобные осветительные приборы показывают отличные результаты на незначительных расстояниях. Теплые и нейтральные тона демонстрируют явное преимущество при освещении в плохую погоду. К примеру, атмосферные осадки оказывают существенное влияние на качество холодного света, тогда как для теплых оттенков дождь или снег несущественны. Причина в том, что теплые источники позволяют рассмотреть не только сам объект, но и пространство возле него. Кстати говоря, по той же причине теплая гамма более эффективна под водой.
Освещение как ключевой фактор в создании приятной обстановки в домашней обстановке

Когда мы говорим о комфортной атмосфере, важно понимать, что освещение играет роль не только функционального источника света, но и создает эмоциональное настроение. Так, правильно подобранный цвет и яркость света могут вызывать у нас успокоение и релаксацию, либо, наоборот, создавать бодрящий и энергичный эффект
Оттенки освещения также могут быть использованы для акцентирования дизайнерских решений в интерьере, выделяя отдельные детали и создавая гармоничное сочетание с мебелью и декором.
В зависимости от функциональности помещения, необходимо выбирать различные типы освещения. Для создания спокойной и расслабляющей обстановки в спальной комнате, рекомендуется использовать нежное и приглушенное освещение, которое поможет нам расслабиться перед сном. В гостиных и общественных зонах, наоборот, оно может быть ярким и эффектным, создавая подходящую атмосферу для веселых вечеринок или отдыха с семьей и друзьями.
Более того, правильное освещение может также повысить эргономику помещения и улучшить нашу продуктивность. Например, в рабочем кабинете или кухне необходимо использовать достаточно яркое освещение, чтобы предотвратить утомление глаз и обеспечить оптимальные условия для работы или приготовления пищи.
Таким образом, освещение является неотъемлемым элементом в создании комфортной атмосферы в доме. Оно способно повысить наше настроение, эффективность и общее благополучие. Профессиональное проектирование освещения с учетом конкретных потребностей помещений поможет создать идеальную атмосферу для нашей повседневной жизни.
Природное освещение: преимущества и использование
Природное освещение является одним из ключевых элементов, которые необходимо учесть при организации интерьера. Естественный свет способен преобразить любое помещение, придавая ему уют, комфорт и гармонию.
Преимущества природного освещения в интерьере неоспоримы. Во-первых, оно обладает высокой качественностью, исключая возникновение теней и дискомфортного блеска
Естественный свет позволяет точно передать цвета и оттенки, что особенно важно для помещений, где выгодно смотрятся различные оттенки
Кроме того, природное освещение существенно влияет на наше самочувствие и здоровье. Оно активизирует работу нервной системы, повышает работоспособность и улучшает настроение. Многие исследования подтверждают, что использование естественного света в помещении способствует лучшему сну, уменьшению стресса и повышению продуктивности.
Чтобы достичь максимального эффекта от природного освещения, необходимо правильно использовать его в интерьере
Важно обеспечить достаточное количество окон или других источников света, которые могут пропускать свет в помещение. Не стоит забывать и о возможности использования зеркал и светоотражающих поверхностей, чтобы максимально распространить естественное освещение в комнате
Природное освещение следует использовать как основной источник света в помещении, особенно в течение дневных часов. Это поможет сэкономить электроэнергию и создать экологически чистую атмосферу в доме или офисе.
Не забывайте также о защите от лишнего прямого солнечного света, который может привести к перегреву помещения или нежелательному поблескиванию на экране компьютера или телевизора. Для этого можно использовать жалюзи, шторы или утепленные стекла.
В итоге, природное освещение является эффективным и полезным способом освещения интерьера. Оно придаст вашему помещению неповторимый шарм, а также позитивно повлияет на ваше здоровье и настроение. Создавайте гармоничный интерьер, используя силу природного света!
Общие правила светодизайна
Освещение играет важную роль в оформлении интерьера. Оно может как улучшить, так и испортить атмосферу комнаты. Неправильное освещение вызывает усталость глаз, способствует раздражению и плохому настроению. Работая над светодизайном своего дома самостоятельно, вы сможете достигнуть большего успеха, если будете придерживаться общих правил.
1 правило. Используйте несколько слоев освещения.
Одного слоя освещения для дома мало. Хороший светодизайн включает в себя несколько источников света. Используемые вместе или по отдельности, они создают разную атмосферу в комнате. Пространство становится более привлекательным и функциональным.
2 правило. Распределите свет по всему помещению.
Чтобы пространство равномерно освещалось, необходимо размещать осветительные приборы в разных ключевых точках комнаты. Это поможет избежать темных неосвещенных углов и улучшит атмосферу.

3 правило. Выбирайте правильную температуру лампочек.
Для жилых помещений больше подходит желтый свет. Он действует успокаивающе. Температура по Кельвину составляет 2700-3000. Для освещения рабочих мест в доме можно использовать более белый свет. Он ярче и способствует активности. Температура по Кельвину составляет 3500-4000. Все эти значения производители указывают на упаковке.
4 правило. Регулируйте яркость светового потока.
Диммеры – это современные устройства, позволяющие регулировать интенсивность освещения. Всего несколько нажатий и атмосфера комнаты сразу меняется. Диммеры просты в использовании. Они позволяют экономить электроэнергию и продлевают срок службы ламп. Это совершенно новый уровень энергоэффективности.

5 правило. Выбирайте правильно тип лампочек с хорошим индексом цветопередачи.
Лампы накаливания почти вышли из обихода. Они не экономичны и имеют меньший срок службы по сравнению с другими типами ламп. Значительная часть мощности лампочки расходуется не на свет, а на тепло.
Галогенные лампы излучают белый цвет. Ими хорошо освещать шкафы. Их нельзя встраивать в натяжной потолок, так как они сильно нагреваются в процессе работы. Срок службы галогеновых ламп не большой.
Люминесцентные и компактные люминесцентные лампы — энергосберегающие. Чтобы светить ярче, им требуется время. Они служат дольше ламп накаливания.
Светоизлучающий диод (LED) наиболее эффективный и долговечный тип ламп. Срок службы светодиодов достигает 50 000 часов.
На коробке с лампочкой вы также можете увидеть значение индекса цветопередачи. Он обозначается CRI и измеряется от 0 до 100. CRI=100 показывает настоящие цвета. Чем выше значение CRI на упаковке лампочки, тем лучше цветопередача.

Связь цветовой температуры и освещения
Четкое знание табличных значений данной характеристики помогает осознать, о каком цвете будет идти дальше речь. Каждый из нас отличается своим цветовосприятием, поэтому определить визуально холодность или теплоту светового потока удается лишь единицам.
За основу принимают усредненные показатели группы изделий, работающих в заданном спектре, а при окончательном выборе светодиодных светильников учитывают конкретные условия их эксплуатации (место установки, освещаемое пространство, назначение и др.).
- Сегодня все источники освещения в зависимости от их диапазона свечения относят к трем основным группам:
- теплого белого света – работают в температурном диапазоне от 2700 K до 3200K . Излучаемый ими спектр белого теплого света сильно схож со свечением обычной лампы накаливания. Лампы с такой цветовой температурой рекомендованы к использованию в жилых помещениях.
- дневного белого света (нормального белого) – в диапазоне от 3500 K до 5000 K. Их свечение визуально ассоциируется с солнечным утренним светом. Это световой поток нейтрального диапазона, который можно использовать в квартирных технических помещениях (прихожей, ванной, туалете), офисах, учебных классах, производственных цехах и так далее.
- холодного белого света (дневного белого) – в диапазоне от 5000 K до 7000 K. Напоминает яркий дневной свет. Им освещают больничные корпуса, технические лаборатории, парки, аллеи, парковки, рекламные щиты и др.
Казалось бы, для чего нужны светодиоды теплого и холодного цветов, если они не способны обеспечить нормальные условия восприятия.
Одной из основных областей применения светодиодов с низкой цветовой температурой (2400-3000 К) — освещение в «зашумленной» оптической среде. Проще говоря, освещение в условиях плохой видимости.
Возьмём автомобильную фару. При сильном тумане белый свет из-за малой длины волны отражается от водяной пыли, что существенно ограничивает дальность видимости. У желтого света длинна волны в несколько раз больше, она не отражается от мелких предметов, а огибает их. Поэтому противотуманные фары в автомобилях делают жёлтого цвета.
В то же время короткие волны распространяются без затухания дальше. В качестве аналогии рассмотрим радиоволны и жесткое коротковолновое рентгеновское излучение.
Радиоволну блокирует даже тонкий лист металла, а для защиты от рентгена используют толстый свинец. Холодный белый свет используют в системах дальнего оповещения, прожекторах, сигнальных и поисковых фонарях.
Параметры для выбора
Теперь о том, какие параметры нужно учитывать при выборе энергосберегающей лампочки. В первую очередь необходимо определиться с типом
При этом сразу стоит обратить внимание на стоимость и ресурс
Мощность.
Первым критерием подбора является мощность ламп. При этом нужно учитывать соответствие подбираемых элементов к уже используемым дома.
К примеру, в жилье везде используются 100-ваттные лампы накаливания, при этом света от них вполне достаточно.
Исходя из световой эффективности, можно определить, что такое же количество света могут обеспечить 70-ваттная галогеновая, 20-ваттная – люминесцентная, и 12-ваттная – светодиодная лампа.
Если света недостаточно, то можно подобрать и более мощный энергосберегающий элемент.
При этом даже расчетов никаких проводить не надо, сравнительные таблицы обычно нанесены на упаковки этих ламп, что позволяет быстро и без проблем выбрать лампочку с необходимым параметром по мощности.

Тип цоколя.
Второе, на что необходимо обратить внимание – тип цоколя. Для обычных патронов подходит цоколь ламп с обозначением Е27

В светильниках же и бра часто используется патрон под цоколь Е14.

Перед походом в магазин обязательно следует поинтересоваться, какие типы цоколя нужны. Но можно сделать и проще – выкрутить и взять с собой лампочку, которая будет меняться и сравнить цоколи.
Размеры, форма.
Третий критерий подбора – форма и размеры. Если места для установки много – то можно покупать практически любой по форме осветительный элемент. В ограниченных для установки пространствах придется подбирать лампы по размерам.
Единственное, необходимо обратить внимание на светодиодную лампу – они могут обеспечивать как рассеиваемое освещение, так и направленное. Элементы с рассеиваемым освещением можно использовать практически везде, а вот с направленным – лучше подходят для установки в светильники. Элементы с рассеиваемым освещением можно использовать практически везде, а вот с направленным – лучше подходят для установки в светильники
Элементы с рассеиваемым освещением можно использовать практически везде, а вот с направленным – лучше подходят для установки в светильники.
Цветовая температура.
И последний параметр, причем немаловажный – цветовая температура. Здесь подбор производится по месту использования.
Так, в спальнях и гостиных самым оптимальным считается теплый белый цвет разных оттенков. Поэтому в такие комнаты лучше использовать осветительные элементы температурой 2700-4200 К.
Для кухонь, ванных, гаража лучшим является холодный белый цвет, который обеспечивают лампочки с температурой 5000-6500 К.
Для рабочих кабинетов больше подходит дневной свет, световая температура которого равна 4000-5000 К. Также такие лампы можно использовать в ванных комнатах и на кухнях.
Другие критерии выбора энергосберегающих ламп смотрите ниже.

Какой свет лучше: теплый или холодный

Лампы холодного и теплого света
Свет принято разделять на теплый и холодный. Теплый лучше всего подходит для вечера, в дневное же время наиболее естественен холодный свет. Играя важную роль в формировании циркадных ритмов человека, теплый свет помогает нам расслабиться, забыть о дневных заботах и подготовиться ко сну.
Холодный же, наоборот, держит нас в тонусе, заставляет быть бодрее и энергичнее. Но и холодный, и теплый свет могут нарушить работу наших внутренних часов, застав нас в неподходящее время.
Цвет света выражается в цветовой температуре (измеряемой в кельвинах), равной температуре абсолютно черного тела, при которой оно испускает излучение такого же цвета. Вас может смутить, что теплому свету соответствует низкая температура, а холодному – более высокая, но, к сожалению, это именно так.
Так, свет с цветовой температурой 2700-3000 K называется теплым, имеет желтоватый оттенок и является типичным для ламп накаливания. Как видно из их названия, светятся они за счет раскаленной вольфрамовой спирали, фактическая температура которой напрямую связана с температурой цвета.
Люминесцентные лампы бывают как мягкого белого света с температурой 3000 K, так и с холодным светом – от 4000 до 6500 К.
Во время восхода и заката солнечный свет чуть теплее, чем свет лампы накаливания – около 1800 К, в полдень в ясную погоду – 6500 К. Именно поэтому теплый свет от искусственных источников ассоциируются у нас с вечером, а холодный – с ярким солнечным днем.
Стоит заметить, в пасмурный день рассеянный солнечный свет может достигать температуры 10000 К, что наряду с отсутствием видимых теней действует на человека угнетающе. К счастью, лампы с такими характеристиками практически не встречаются (разве что у фотографов).
От Луны по ночам исходит голубоватый холодный свет с температурой 4100 K. Свет пламени спички или свечи обычно имеет температуру в диапазоне 1700-1900 K.
При теплом освещении мы воспринимаем цвета предметов, как правило, немного не так, как при обычном дневном. Лампа накаливания, например, усиливает теплые тона, и приглушает холодные.
На это стоит обратить внимание при покупке мебели и деталей интерьера. Во избежание неприятных сюрпризов их следует выбирать при освещении, максимально приближенном к имеющемуся у вас в квартире
Также помните, что на цвет могут влиять не только характеристики самой лампы, но и абажуры, плафоны и прочие рассеиватели.
С возрастом хрусталики в наших глазах могут немного желтеть, поэтому мы начинаем видеть все в более теплых тонах. Добавление холодного света в освещение может помочь в такой ситуации.
Теплый или мягкий белый свет отлично подходит для создания ощущения уюта в жилых пространствах, где мы хотим чувствовать себя расслабленно и комфортно. Избыток теплого света на рабочем месте может влиять на вас усыпляюще и мешать сосредотачиваться на нужных задачах. Именно поэтому в офисных помещениях обычно преобладают светильники с холодным светом.
Тёплый свет в Кельвинах
Теплый свет расслабляет и создает атмосферу уюта. Теплый белый: цветовая температура ниже 3500 K. Лучше выбирать именно нужное значение цветовой температуры в Кельвинах, так как у разных производителей понятия «теплый» могут различаться.
Какой это цвет
Как бы странно это не звучало, свет имеет свою цветовую температуру! В вашей квартире, доме, офисе или продуктовом супермаркете через дорогу установлены лампы и устройства освещения.
И от того, какую цветовую температуру они имеют, зависит ваше восприятие объектов и даже настроение. Давайте же разберемся в этих цифровых значениях, сколько Кельвинов какое свечение.
- 2700 К – в народе звучит как теплое свечение или теплый белый.
- 4000-4200 К – это естественно белый, хотя многие считают его холодным белым или холодным свечением, хотя данная температура наиболее приближена к утреннему солнцу и солнцу в обеденное время.
- 5500-6000 К – яркий белый или близкий к дневному свету.
В интерьере и экстерьере используют разные типы ламп, исходя из задач, условий и личных предпочтений человека.
В классическом дизайне интерьера в основном используют теплый или теплый белый свет(2700 К). Для этих нужд идеально подойдут светодиодные лампы. В графе цветовая температура поставьте галочку «теплое свечение».
Для быстро развивающего мира все больше подходит температура свечение в 4000-4200 К, так в Hi-tech дизайн-интерьерах используют естественно белый свет.
Для офисов, конференц-залов, лабораториях и для других высокоточных работ, выполняющихся в помещениях, используют яркий белый от 6000 К и выше.
Теплый свет сколько Кельвинов
Тёплый оранжевый: 2500–3000 Кельвинов – поможет создать уютную вечернюю атмосферу в спальне и гостиной. Применяется в торшерах, бра, прикроватных светильниках, для освещения обеденного стола.
Тёплый желтоватый: 3000–4000 Кельвинов – расслабляющий и комфортный свет для жилых комнат. Обычно используют в настенных и потолочных светильниках.
Холодный белый свет сколько Кельвинов
Холодный белый – цветовая температура выше 5300 K. Если на рабочем месте более уместен дневной свет (примерно 4000-4500 К), то для чтения же полезен более холодный белый свет (но только до 6500 К).
2700 Кельвинов какой свет
Цветовая температура привычной лампы накаливания – примерно 2800 Кельвинов, поэтому тепло-белый свет свечения светодиодных ламп наиболее привычен глазу (от 2700 до 3500 К).
Цветовая температура 4000 K – какой это цвет
4000-4200 К – это естественно белый, хотя многие считают его холодным белым или холодным свечением, хотя данная температура наиболее приближена к утреннему солнцу и солнцу в обеденное время.
4300 Кельвинов цвет
4300-4500 K – утреннее солнце и солнце в обеденное время. Если говорить об автомобилях, штатный ксенон, который ставится непосредственно на заводе, имеет цвет свечения 4300 Кельвинов. При замене автомобильных ламп с целью максимально добиться лучшей видимости специалисты советуют ставить ксенон с цветом 4300 К.
6000 Кельвинов какой свет
Цвет излучения при 6000 К становится голубоватым. Так светит люминесцентная лампа с цветностью дневного света 6000 К.
6500 Кельвинов какой свет
6500 К – стандартный источник дневного белого света, близкий к полуденному солнечному свету. Для рабочей кухонной зоны рекомендуется использовать лампочки холодного света (выше 6500 К), такой свет будет бодрить.
Какой свет в видимом диапазоне
Человеческий глаз способен различать большой диапазон цвета от 800к до 25000к
- 800 К — еле видимое свечения раскаленного, разогреваемого металла;
- 1500- пламя свечи;
- 2 000 К — уголь когда на него дует ветер;
- 2200 К — 40 Вт лампа вакуумная;
- 2680 K — 60 Вт лампа вакуумная;
- 2700 кельвинов — широко известен как теплый свет или теплый белый;
- 2800 K — 100 Вт лампочка накаливания;
- 2810-2900 К — вольфрамовая газовая лампа;
- 3000 к — 200 Ватная лампочка;
- 3210-3200 K — прожекторы, прожекторное оборудование для фото;
- 3400 K — галоген;
- 3500 К — белая люминесцентная лампа;
- 3800 K — свет, используемый для освещения мясных продуктов в магазинах;
- 4000-4200 K — луна;
- 4290-4490 К — раннее дневное солнце. Если говорить об автомобилях, то ксеноновые лампы заводской сборки имеют цвет 4300 Кельвинов. При замене системы фар эксперты рекомендуют использовать ксеноновые лампы с цветом 4300K для достижения наилучшей видимости в сложных погодных условиях;
- 4510-4900 К — утренний и обеденный солнечный свет;
- 5000 К — Солнце 10 градусов над горизонтом;
- 5500 К — облачная погода в полдень;
- 5500-5600 K — интенсивность пасмурного света в 16-00;
- 5610-7000 K — Указывает солнце 45 градусов над горизонтом;
- 6000 Кельвинов при этой температуре цвет становится голубоватым. Это свечение флуоресцентной лампы с цветом дневного света 6000к;
- 6200 К — почти дневной свет;
- 6500-7450 K — Облачность;
- 7500 K — День со значительной долей рассеянного света от ясного неба;
- 7500-8500 К — пасмурно в средней степени;
- 9500 K — Голубое на восходе;
- 10 000 К — осветитель в аквариумах с коралловыми рифами (актинические оттенки синего);
- 15 000 К — небо в время зимы;
- 20 000 К — голубое небо в полярных широтах.
Как выбрать подходящую мощность 4500к лампы
При выборе лампы с цветовой температурой 4500к необходимо обращать внимание не только на ее световой поток, но и на мощность. Мощность лампы определяется ваттами и указывает на потребляемую электрическую мощность при работе
Чем больше мощность, тем ярче светит лампа
Мощность лампы определяется ваттами и указывает на потребляемую электрическую мощность при работе. Чем больше мощность, тем ярче светит лампа.
Для правильного выбора мощности лампы необходимо учитывать площадь помещения, в котором она будет использоваться. Например, для освещения небольшой комнаты достаточно лампы мощностью 5-10 ватт, а для освещения большого зала может потребоваться лампа мощностью 50-100 ватт.
Кроме того, стоит учитывать количество ламп, установленных в помещении. Чем больше ламп, тем меньше мощность должна быть у каждой из них, чтобы обеспечить равномерное освещение всего пространства.
Для выбора подходящей мощности лампы также важно учитывать ее тип. Например, для ламп LED и компактных люминесцентных ламп обычно достаточно меньшей мощности, чем для ламп накаливания
Имейте в виду, что при выборе мощности лампы необходимо учитывать ее энергоэффективность. Чем выше эффективность, тем меньше мощность лампы, необходимой для получения необходимого уровня освещения.
























