Типы амперметров
Устройства для определения силы тока могут быть аналоговыми и цифровыми. Среди аналоговых моделей применяется в основном 4 типа приборов:
- Магнитоэлектрический
- Электромагнитный
- Электродинамический
- Ферродинамический
Есть и другие типы, но эти наиболее интересны, так как применяются чаще всего. Каждый работает по своему принципу. Рассмотрим их более подробно.
Магнитоэлектрический прибор
Принцип работы устройства основан на взаимодействии катушки подвижного типа и магнитного поля постоянного магнита, расположенных внутри корпуса.
1 — корректор; 2 — противодействующие пружины; 3 — подвижная катушка; 4 — полюсные наконечники; 5 — стрелка; 6 — сердечник
К достоинствам прибора относится малое потребление мощности во время работы и хорошая измерительная чувствительность с низким коэффициентом отклонений. Также стоит отметить, что все электромагнитные амперметры имеют равномерную шкалу отображения необходимой характеристики. Поэтому можно сделать ровные замеры силы тока с максимальной точностью.
Лабораторная версия магнитоэлектрического амперметра
Из минусов прибора отмечается его сложное устройство, а именно наличие подвижной катушки. К тому же он работает исключительно от постоянного тока, так что это устройство нельзя назвать универсальным. Но несмотря на такие недостатки, магнитоэлектрический прибор пользуется большой популярностью и часто используется в самых разных сферах: как в лабораториях, так и на крупных предприятиях.
Электромагнитный прибор
Это приспособление не имеет подвижной катушки, как у предыдущего вида. Его устройство очень простое. В нем расположен специальный механизм и сердечники. Но сердечник может быть всего один. Сердечники устанавливаются на ось.
Электромагнитный прибор обладает меньшим диапазоном чувствительности, в отличии от магнитоэлектрической модели. Соответственно, точность его замеров ниже. Но у него есть и преимущества, а именно работа как при переменном, так и при постоянном токе, поэтому им очень легко пользоваться.
Электродинамические амперметры
Принцип работы этих моделей основан на взаимодействии полей тока, протекающих по магнитным катушкам. В приборе имеется как подвижная, так и неподвижная катушки. Это основное его преимущество – универсальность.
Недостаток прибора в том, что он слишком чувствителен, поэтому улавливает любые магнитные поля, находящиеся в радиусе его работы. Такие поля могут создавать достаточно сильные помехи, поэтому прибор необходимо использовать только в экранированных зонах.
Ферродинамические амперметры
Этот амперметр является самым точным и эффективным. Сторонние магнитные поля на него практически не оказывают никакого влияния. Соответственно, он не нуждается в дополнительном экранировании. Устройство этого надежного и прочного приспособления состоит из ферримагнитного замкнутого провода. Также в нем расположены неподвижная катушка и сердечник. Такая схема позволяет получить максимально надежные показатели. Именно поэтому ферродинамический амперметр часто применяется в государственных оборонных учреждениях. Им легко пользоваться, он удобен, а главное — все получаемые им показатели наиболее точны, в отличие от предыдущих разновидностей.
Амперметры данного типа предназначены для профессиональных высокоточных измерений
Цифровые модели
Кроме аналоговых амперметров, описанных выше, есть и другая разновидность, впитавшая в себя все современные технологии – цифровые амперметры. Сегодня они завоевывают все больше популярности. Это связано с тем, что подобное приспособление крайне удобно в работе, им легко пользоваться, к тому же прибор имеет небольшие размеры и выдает точные показания. Плюс ко всему — он очень мало весит. Цифровой прибор можно применять в самых разнообразных условиях, он не боится ни тряски, ни вибрации. Механический прибор с такими условиями не справится и не даст точных показаний, в отличие от цифрового.

Стоит отметить, что цифровые модели устойчивы к ударам, поэтому с ними можно работать в непосредственной близи с различными механизмами без страха повреждения прибора. В отличие от механических моделей, его можно использовать в горизонтальном и вертикальном положениях. С помощью цифрового циферблата можно следить за изменениями всех величин с максимально допустимой точностью и с минимальными погрешностями. На такой прибор не оказывают влияние ни атмосферные, ни температурные давления, что позволяет использовать его в условиях улицы.
Для чего нужно измерять силу тока
Существенное влияние на величину силы тока оказывают напряжение и сопротивление электроцепи, которые измеряются в таких единицах, как вольт (В) и Ом, соответственно. При этом повышение напряжения при неизменном сопротивлении электроцепи вызывает увеличение силы тока, а рост сопротивления цепи при неизменной величине напряжения приводит к ее уменьшению. Сила тока (I), напряжение (U) и сопротивление (R) зависят друг от друга и связаны эмпирическими формулами:
При этом упрощенно принимают, что сила тока величиной в 1 А возникает в проводнике с сопротивлением 1 Ом, если к нему приложено напряжение в 1 В.
Замерив СТ мультиметром, можно:
- уточнить реальную потребляемую мощность конкретного электроприбора;
- найти дефекты электроприбора, если его реальная мощность не соответствует величине, заявленной в документации;
- выяснить электрическую емкость автономных источников питания (аккумуляторных батарей и пр.);
- выявить существование утечки тока в электроцепях и в случае необходимости локализовать дефектный участок;
- проверить зарядное устройство для аккумулятора на предмет соответствия тока зарядки заданному значению и т. д.
Такие измерения проводят при помощи специальных приборов – амперметров. Их разновидностей на отечественном рынке достаточно, чтобы удовлетворить потребности всех покупателей.
Наиболее востребованными, особенно на бытовом уровне, являются небольшие многофункциональные (амперметр + омметр + вольтметр) мультиметры, с помощью которых можно измерить практически все необходимые параметры электрической цепи.
Упражнения
Упражнение №1
При включении в цепь амперметра так, как показано на рисунке 9, а, сила тока была $0.5 \space А$. Каковы будут показания амперметра при включении его в ту же цепь так, как изображено на рисунке 9, б?
Рисунок 9. Варианты подключения амперметра в электрическую цепь
Сила тока будет точно такая же. Амперметр покажет значение в $0.5 \space А$. Это объясняется тем, что в данной электрической цепи все элементы соединены последовательно. В этом случае сила тока на всех участках цепи одинакова.
Упражнение №2
Как можно проверить правильность показаний амперметра с помощью другого амперметра, точность показаний которого проверена?
Можно собрать цепь, как на рисунке 6, используя точный амперметр. Зафиксировать значение силы тока, которое он покажет. Потом заменить его другим — тем, правильность показаний которого мы хотим проверить. Далее останется просто сравнить показания этого амперметра с полученными ранее.
Можно сделать это и другим способом. Для этого нужно собрать цепь, как на рисунке 8 с последовательным соединений всех элементов. Мы уже знаем, что в такой цепи два исправных амперметра должны показывать одинаковые значения. Главное при такой проверке — это отметить для себя, какой амперметр показывает точные результаты измерений, чтобы не запутаться.
Упражнение №3
Рассмотрите амперметры, данные на рисунке 1. Определите цену деления шкалы каждого амперметра. Какую наибольшую силу тока они могут измерять? Перерисуйте шкалу амперметра (смотрите рисунок 1, а) в тетрадь и покажите, каково будет положение стрелки при силе тока $0.3 \space А$ и $1.5 \space А$.
Шкала демонстрационного амперметра с рисунка 1, а будет иметь цену деления, равную $0.2 \space А$.
Шкала лабораторного амперметра с рисунка 1, б будет иметь цену деления, равную $0.05 \space А$.
На рисунке 10, а мы изобразили шкалу демонстрационного амперметра, который показывает значение $I = 0.3 \space А$,а на рисунке 10, б — $I = 1.5 \space А$.
Рисунок 10. Значения силы тока на шкале амперметра
Упражнение №4
Имеется точный амперметр. Как, пользуясь им, нанести шкалу на другой, ещё не проградуированный амперметр?
Для этого нужно подключить оба амперметра в электрическую сеть. Например, как на рисунке 8.
Сначала перед замыканием ключа на пустую шкалу амперметра нанесем первую отметку — $0 \space А$.
Замыкаем цепь. Точный амперметр покажет нам какое-то определенное значение силы тока. Его стрелка отклонится. Например, она покажет значение в $1 \space А$. Стрелка второго амперметра тоже отклонится. Отметим ее положение — $1 \space А$. Мы можем так сделать, потому что сила тока при последовательном соединении элементов в цепи на всех ее участках одинакова.
Затем можно, используя линейку, самостоятельно нанести дополнительную отметки на шкале амперметра, выбрав удобную для вас цену деления.
Приборы для измерения силы тока
Если в каком-либо проводнике течет ток, то он характеризуется такой величиной, как «сила тока». Сила тока в свою очередь характеризуется количеством электронов, которые проходят через поперечное сечение проводника за единицу времени. Но мы все учились в школе и знаем, что электронов в проводнике миллиарды миллиардов и считать количество электронов было бы бессмысленно.
Поэтому ученые вывернулись из этой ситуации и придумали единицу измерения силы тока и назвали ее «Ампер», в честь французского физика-математика Андре Мари Ампера. Что же собой представляет 1 Ампер?
Если сила тока в проводнике равна 1 амперу, то за одну секунду через поперечное сечение провода проходит заряд, равный 1 Кулону. Или простым языком, все электроны в сумме должны давать заряд в 1 Кулон и они должны в течение одной секунды пройти через поперечное сечение проводника.
Шкала амперметра
Если учесть, что заряд одного электрона 1.6х10-19 , то можно узнать, сколько электронов в 1 Кулоне. А вот для того, чтобы измерять амперы, ученые придумали прибор и назвали его «амперметром».
Амперметр – прибор для измерения силы тока в амперах. Шкалу амперметров градуируют в амперах, килоамперах, миллиамперах или микроамперах в соответствии с пределами измерения прибора. В электрическую цепь амперметр включается последовательно; для увеличения предела измерений – с шунтом или через трансформатор.
Амперметр – это прибор для измерения силы тока в электрической цепи. Любой амперметр рассчитан на измерение токов определенной величины. В электронике в основном оперируют микроАмперами (мкА), миллиАмперами (мА), а также Амперами (А). Следовательно, в зависимости от величины измеряемого тока приборы для измерения силы тока делятся на амперметры (PA1), миллиамперметры (PA2) и микроамперметры (PA3).
двойной вольметр-амперметр
Измерение значений переменного тока
Знать силу тока, проходящую через определенный участок цепи довольно важно. Это помогает рассчитать сечение кабеля и избежать перегрева токопроводящих жил
Эта статья поможет начинающим электрикам разобраться в нюансах работы и подключения измерительного прибора. Но сначала вспомним немного азов из школьной программы.
Как известно, амперметром называется измерительный прибор, позволяющий определить силу постоянного и переменного тока в электрической цепи. В зависимости от планируемой сферы применения, шкалу измерительного устройства градуируют в амперах, микро- или миллиамперах. Для измерений больших величин используется прибор, шкала которого разделена на килоамперы.
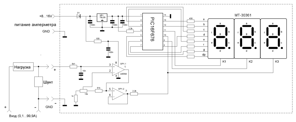
Схема цифрового амперметра
Сотые будут соответствовать четвертому дисплею, которого у нас нет, например «03», если мы ищем нуль сверху, ошибка будет больше, например «08». Повторение процесса три раза в лучшем случае должно быть идеальным.
Разновидности амперметров
Они могут быть электромеханическими или аналоговыми, цифровыми или электронными. Базовый набор, как правило, состоит из детектора, передающего устройства и индикатора, самописца или запоминающего устройства.
Аналоговые устройства — самые старые из используемых инструментов. Хотя они надежны для статических и стабильных измерений, они не подходят для динамических и переходных условий. Кроме того, они довольно громоздкие и имеют ограничения из-за использования стрелочной индикации.
Электронные инструменты реагируют быстрее и способны мгновенно обнаруживать динамические изменения тока в сети. Примером является цифровой мультиметр, который способен измерить значения тока в динамическом или переходном режиме за секунды.
Безопасные и опасные пределы значений силы тока
Работа с электрическими цепями может быть опасной при несоблюдении правил безопасности. Если мы говорим о постоянном токе (величина силы тока и его направление со временем не изменяются), то эффекты воздействия такого тока на человеческий организм приведены в таблице 1.
| $I$, $мА$ | Воздействие на человеческий организм |
| 0 — 3 | Не ощущается |
| 4 — 7 | Зуд. Ощущение нагревания |
| 8 — 10 | Усиление нагревания |
| 11 — 25 | Еще большее усиление нагревания, незначительные сокращения мышц рук |
| 26 — 80 | Сильное ощущение нагревания. Сокращения мышц рук. Судороги, затруднение дыхания. |
| 81 — 100 | Паралич дыхания |
Таблица 1. Действие постоянного тока на организм человека
Схема подключения амперметра
Схема подключения амперметра в электрическую цепь подразумевает его интеграцию таким образом, чтобы он мог измерить весь ток, текущий через раздел цепи, в котором необходимо провести измерения.
Она обычно достаточно проста, однако, требует соблюдения строгих правил для обеспечения точности измерений и безопасности.
Вот как следует подключать амперметр:
Отключить питание цепи перед подключением амперметра, чтобы избежать поражения электрическим током.
Убедиться, что амперметр имеет необходимый диапазон измерений для ожидаемой силы тока в цепи.
Амперметр должен быть установлен последовательно с нагрузкой, то есть ток должен выходить из одного конца амперметра и входить в другой
Для этого необходимо разорвать цепь в том месте, где планируется измерение тока и вставить амперметр так, чтобы ток протекал через него.
Важно соблюдать полярность при подключении, особенно для амперметров, предназначенных для измерения постоянного тока. Обычно клемма, обозначенная как «+» на амперметре, должна быть подключена к стороне цепи, которая находится ближе к положительной клемме источника питания.
Перед использованием амперметра следует проверить, чтобы номинальная сила тока и рабочее напряжение амперметра соответствовали параметрам измеряемой цепи.
После подключения амперметра можно вновь подать питание на цепь и провести измерение.
Использовать амперметры с подходящим уровнем изоляции и защиты для работы с высокими токами или напряжениями.
Никогда не превышать максимальный диапазон измерений амперметра, так как это может привести к его повреждению и возможности возникновения опасной ситуации.
При подключении амперметра важно учитывать, что неправильная установка может привести к его поломке, особенно если превышается максимальный измеряемый ток, для предотвращения чего могут использоваться защитные устройства, такие как предохранители. Также стоит помнить, что сам амперметр должен обладать минимальным сопротивлением, чтобы не влиять на токовые показатели в цепи.
Также стоит помнить, что сам амперметр должен обладать минимальным сопротивлением, чтобы не влиять на токовые показатели в цепи.
Виды амперметров
При настройке в режиме напряжения достаточно, измерение в режиме амперметра должно быть правильным, принимая во внимание небольшое смещение, обсуждаемое по мере увеличения тока. Такую же настройку можно было бы сделать, но без подключенной нагрузки, тогда было бы проверено, что текущие измерения теперь более точны, но тогда напряжение на нагрузке несколько меньше

Таблица технических характеристик амперметров различных параметров.
Магнитоэлектрические приборы
Устройства, реагирующие на магнитные явления (магнитоэлектрические) применяют для того, чтобы замерить токи очень маленьких значений в цепях с постоянным током. Внутри них нет ничего лишнего, кроме катушки, подсоединенной к ней стрелки и шкалы с делениями.
Электромагнитные устройства
В отличие от магнитоэлектрических их можно применять и для сетей с переменным током, чаще всего в цепях промышленного назначения с частотой в пятьдесят герц. Электромагнитным амперметром можно пользоваться для замеров в цепях с большой силой тока.
Термоэлектрический тип
Используют для измерения переменного тока с высокой частотой. Внутри прибора установлен нагревательный элемент (проводник с высоким сопротивлением) с термопарой. Из-за проходящего тока нагревается проводник, и термопара фиксирует величину. Из-за возникающего тепла отклоняется рамка со стрелкой на определенный угол.
Основанные на электродинамике
Можно применять не только для замеров силы постоянного тока, но и переменного. Из-за особенностей прибора, его можно применять в таких сетях, где частота достигает двухсот герц. Электродинамический амперметр используется в основном как контрольный измеритель для проверки приборов.
Они сильно реагируют на сторонние магнитные поля и на перегрузки. Из-за этого в качестве измерителей используются редко.
Ферродинамические приборы
Очень надежные приборы, которые обладают высокой прочностью и мало подвергаются воздействию магнитных полей, возникающих не в приборе. Такого рода амперметры устанавливают в автоматические контролирующие системы как самописцы.
Будет интересно Как выбрать паяльник для микросхем
Бывает так, что шкалы прибора недостаточно и необходимо увеличить значения, которые стоит замерить. Чтобы этого достичь используется шунтирование (проводник с высоким сопротивлением присоединяется параллельно прибору). Например, чтобы установить значение силы в сто ампер, а прибор рассчитан всего на десять, то присоединяют шунт, у которого значение сопротивления в девять раз ниже, чем у прибора.
Виды погрешностей амперметра
Чтобы понять размер погрешности в измерениях, нужно сравнить полученные результаты с эталонными.

В метрологии используют для всех электротехнических измерителей, как для амперметров, так и для вольтметров, несколько видов погрешностей: абсолютную, относительную и приведенную.
Абсолютная погрешность амперметра — это разность Δ между результатом измерения, полученного на шкале прибора (Xи) и действительным значением силы тока в цепи (Xд). Абсолютная погрешность амперметра описывается простой формулой и выражается в единицах тока А.
Δх = Xд−Xи, А
где:
- Δх — дельта Х
- Xд — действительное показание силы тока, принимаемой по образцовому прибору;
- Xи — измеренное значение на шкале прибора.
Относительная погрешность (δ) — отношение абсолютной погрешности амперметра Δх к действительному показанию силы тока, принимаемому по образцовому прибору. Оно может быть указано как в процентах, тогда частное умножается на 100, либо выражаться в относительных единицах.
δ = (Δх : Xд)×100, %
Приведенная погрешность — это значение приведенное к диапазону измерения амперметра, приравненного к его шкале. Его получают в виде частного от абсолютной погрешности Δх и нормируемого значения (Xн), в значениях соответствующим абсолютной погрешности Δх умноженной на 100 %:
δпр = (Δх : Xн)×100, %
Как подключить амперметр для снятия показаний?
При использовании амперметра для измерения электрического тока в цепи важно правильно его подключить, чтобы получить точные показания и предотвратить повреждение как амперметра, так и самой цепи. Ниже приведены инструкции по правильному подключению амперметра:. 1
Выключите цепь: Прежде чем выполнять какие-либо подключения, важно убедиться, что цепь отключена. Это обеспечивает безопасность как оператора, так и оборудования
1
Выключите цепь: Прежде чем выполнять какие-либо подключения, важно убедиться, что цепь отключена. Это обеспечивает безопасность как оператора, так и оборудования
2. Текущий выбор диапазона: Перед подключением амперметра необходимо выбрать соответствующий диапазон тока. Это делается путем регулировки переключателя диапазонов на амперметре
Важно выбрать диапазон, достаточно высокий, чтобы избежать перегрузки амперметра, но достаточно низкий, чтобы получить точные показания
3. Последовательное соединение: Для измерения тока в цепи амперметр подключают последовательно с компонентом или нагрузкой, ток которой необходимо измерить. Это означает, что амперметр размещается на пути тока, так что весь ток, протекающий через цепь, также проходит через амперметр.
4. Отделите цепь: Прежде чем выполнить последовательное соединение, необходимо в какой-то момент разомкнуть цепь, чтобы можно было вставить амперметр. Это делается путем отсоединения одного из кабелей, питающих соответствующую нагрузку или компонент.
5. Подключите амперметр: После размыкания цепи амперметр подключают последовательно. Это достигается путем подключения одного конца амперметра к месту отсоединения кабеля, а другого конца к месту, где изначально находился кабель.
6. Замыкание цепи: После подключения амперметра необходимо снова замкнуть цепь, убедившись в герметичности и надежности всех соединений. Это предполагает повторное подключение кабеля, который был ранее отключен.
7. Текущее чтение: После замыкания цепи и правильного подключения амперметра цепь можно включить и наблюдать за показаниями амперметра.
Как измерить в амперах
Измерение электрического тока производится в амперах (А), основной единице Международной системы единиц (СИ). Ампер — это мера количества электрического заряда, протекающего через проводник за определенный период времени.
Для измерения силы тока в амперах используется прибор, называемый амперметром. Это устройство включается последовательно в электрическую цепь и позволяет измерить силу тока, протекающего через него.
Важно отметить, что ампер — это единица электрического тока, а не напряжения или сопротивления. Электрический ток — это поток заряда через проводник, напряжение — это разность электрических потенциалов между двумя точками, а сопротивление — это сопротивление потоку тока
Способ измерения тока в амперах зависит от типа цепи и используемого прибора. В цепях постоянного тока используется амперметр постоянного тока (DC), который включается последовательно с цепью. С другой стороны, в цепях переменного тока используется амперметр переменного тока (AC), который также подключается последовательно.
Важно отметить, что при измерении тока необходимо выбирать соответствующий диапазон амперметра во избежание повреждения прибора. Кроме того, важно соблюдать соответствующие меры безопасности и убедиться, что цепь отключена перед проведением каких-либо измерений
Дерзайте, любитель электрической точности! Вот самое яркое окончание вашего контента о том, как профессионально снимать показания амперметра:
«И вуаля, дорогая бесстрашная электроника, теперь ты знаешь, как читать показания амперметра, не взъерошив ни единого волоска. Так что в следующий раз, когда вы столкнетесь с этим таинственным и загадочным устройством, не бойтесь, потому что у вас есть необходимые инструменты, чтобы приручить его. Помните, друзья, что точность — ключ к успеху в этой электрической игре. В конце концов, кому нужны догадки, когда можно получить точные показания? Так что вперед, будьте самыми страстными любителями усилителей и продолжайте освещать мир своими знаниями в области электротехники. Расслабьтесь и наслаждайтесь!»
Надеюсь, вам понравится этот юмор в конце статьи! Если вам понадобится дополнительная помощь, я буду здесь, чтобы отточить ваши идеи.
Разновидности амперметров тока.
Существует два типа устройств, для измерения силы тока, два вида амперметров тока. Тип первый и тип второй.
- Тип первый – аналоговый (он же стрелочный амперметр).
- Тип второй – цифровой.
Тип первый – стрелочный амперметр тока, выглядит он вот таким образом:

Система этого амперметра тока магнитоэлектрическая. А в составе устройства: постоянный магнит, внутри которого вращается катушка из тонкой проволоки. В момент подачи тока катушка направлена на поле при действии момента вращения. Причём величина момента является пропорциональной силе тока. Имеется в устройстве и специальная пружина, которая в момент подачи тока является неким препятствием для вращающейся катушки. Момент упругости пружины в свою очередь пропорционален углу закручивания.
Измерение силы тока происходит таким образом, что при уравновешивании вышеописанных моментов стрелка и показывает искомое значение, равное силе тока, силе воздействия.
Чтобы увеличить предел измерения необходимо параллельно амперметру установить шунт. Резистор, определённой величины, которая рассчитана заранее. Такое устройство названо – резистор шунтирующий.
Для точных измерений с резистором в цепи необходимо придерживаться простых правил. Если в цепи действует измерительный прибор – вольтметр, то входное сопротивление необходимо делать немного больше у самого прибора. В случае работы с амперметром ситуация другая и входное сопротивление прибора следует сделать меньше. В противном случае, если не придерживаться таких правил измерение окажется неверным, и некорректными окажутся показания амперметра. Вся измерительная техника всегда была разработана с учётом неких особенностей и грамотное и правильное использование только залог успешного измерения и результата в целом.
Насколько внимательно отнесётесь к режиму работы устройств мультиметров, настолько правильными окажутся опыты и текущие измерения. Пренебрегая законами и правилами эксплуатации приборов и техники можно не только выяснить неверные результаты измерений, но и испортить устройство, вывести его из строя.
По сей день пользуются аналоговыми амперметрами тока. И это не случайно, их плюсов так много, что люди ещё не скоро смогут от них отказаться. И смогут ли отказаться вообще? Плюсы прибора под названием аналоговый амперметр:
– не нуждаются в независимом питании;
– удобны в отображении информации;
– имеется винтик, на большинстве моделей, который корректирует точность измерения.
Минус тоже есть, но он всего один и очень невзрачный:
– небольшая инертность стрелок может заставить несколько секунд ожидать результаты измерений.
Тип второй – амперметр тока цифровой. В его составе значатся:
– АЦП (аналого-цифровой преобразователь). Именно он преобразует силу тока в данные цифровые, что в дальнейшем можно видеть на дисплее устройства. Дисплей современного ЖК вида.

Огромное отличие таких видов амперметров только в том, что нет стрелки и нет инертности. Результаты измерения можно видеть сразу на дисплее. Разные виды амперметров тока выводят информацию на экран с различной скоростью. Современные виды к тому же и малогабаритны.
Имеются и минусы таких новичков:
– наличие собственного источника питания должно быть непременно.
Деление на этом амперметров не закончилось. Существуют также виды, которые измеряют силу тока переменного напряжения и измеряющие силу тока постоянного напряжения. Но это не значит, что при отсутствии амперметра для измерения переменного тока Вы не сможете её измерить. Измерить можно, и поможет вот такая схема:
Поможет не собирать каждый раз подобную систему мультиметр. Устройство сочетает в себе сразу несколько функций и может измерить силу тока и постоянного и переменного.
Вот схема для измерения силы тока амперметром:

И теперь чтобы верно измерить силу тока, необходимо, только узнать какая сила тока. Переменное или постоянное напряжение. Нагрузкой же может стать абсолютно любой предмет (лампочка, компьютер, сотовый телефон).
Популярные модели
Как отечественными, так и зарубежными производителями выпускается довольно большое количество приборов, разнообразной классификации. Особенно ценятся цифровые устройства, которые нужны для измерения показаний. К ним относятся:
- А-05 (DC-2) — прибор устроен с внешним шунтом 75 мВ для измерения показаний в цепях постоянного напряжения. В зависимости от используемого трансформатора, амперметр используется в сетях с током от 100 до 1 тыс. А. Единицей измерения является ампер, замеры которого получают с погрешностью 1%, если класс точности шунта не менее 0,5. Потребляемая мощность не более 5 Вт.
- ВАР-М01−083 AC 20−450 В УХЛ4 — универсальный прибор, применяемый как вольтметр, так и амперметр. Устройство может использоваться в качестве основного и дополнительного оборудования. Питается за счет проверяемой электрической цепи. Прибор обладает функцией сохранения в памяти минимального и максимального значения. Управление осуществляется одной кнопкой, переключением которой можно вызвать все функции.
- ТДМ SQ 1102−0060 400А/5А — недорогой стрелочный прибор, применяемый в однофазных сетях. Корпус выполнен из негорючего пластика и имеет полную совместимость со многими маркировками трансформаторов. Средний срок службы составляет около 12 лет.
- АМ-1 — стационарный измерительный прибор, устанавливаемый на DIN-рейку. В комплект входит дополнительный трансформатор. Погрешность измерения составляет не более 0,5 А.
Вам это будет интересно Описание и разновидности вводно-распределительных устройств (ВРУ)
Стоит отметить еще модели амперметров АМ-3, IEK Э 47−1500/5 А, ACS 712 30 А RD и др. Чтобы избежать больших погрешностей, следует выбирать устройства с сопротивлением до 0,5 Ом. Корпус устройств должен быть герметичным и состоять из негорючего материала. Клеммы обычно покрывают антикоррозийным слоем, назначение которых считается обеспечение более прочного контакта.
Как измерять потребляемый ток электроприбором
Для удобства и безопасности работ по измерению потребляемого тока электроприборами необходимо сделать специальный удлинитель с двумя розетками. По внешнему виду самодельный удлинитель ничем не отличается от обыкновенного удлинителя.
Но если снять крышки с розеток, то не трудно заметить, что их выводы соединены не параллельно, как во всех удлинителях, а последовательно.
Как видно на фотографии сетевое напряжение подается на нижние клеммы розеток, а верхние выводы соединены между собой перемычкой из провода с желтой изоляцией.
Все подготовлено для измерения. Вставляете в любую из розеток вилку электроприбора, а в другую розетку, щупы амперметра. Перед измерениями, необходимо переключатели прибора установить в соответствии с видом тока (переменный или постоянный) и на максимальный предел измерения.
Как видно по показаниям амперметра, потребляемый ток прибора составил 0,25 А. Если шкала прибора не позволяет снимать прямой отсчет, как в моем случае, то необходимо выполнить расчет результатов, что очень неудобно. Так как выбран предел измерения амперметра 0,5 А, то чтобы узнать цену деления, нужно 0,5 А разделить на число делений на шкале. Для данного амперметра получается 0,5/100=0,005 А. Стрелка отклонилась на 50 делений. Значит нужно теперь 0,005×50=0,25 А.
Как видите, со стрелочных приборов снимать показания величины тока неудобно и можно легко допустить ошибку. Гораздо удобнее пользоваться цифровыми приборами, например мультиметром M890G.
На фотографии представлен универсальный мультиметр, включенный в режим измерения переменного тока на предел 10 А. Измеренный ток, потребляемый электроприбором составил 5,1 А при напряжении питания 220 В. Следовательно прибор потребляет мощность 1122 Вт.
У мультиметра предусмотрено два сектора для измерения тока, обозначенные буквами А–
для постоянного тока иА~ для измерения переменного. Поэтому перед началом измерений нужно определить вид тока, оценить его величину и установить указатель переключателя в соответствующее положение.
Розетка мультиметра с надписью COM
является общей для всех видов измерений. Розетки, обозначенныеmA и10А предназначены только для подключения щупа при измерении силы тока. При измеряемом токе менее 200 мA штекер щупа вставляется в розетку mA, а при токе величиной до 10 А в розетку 10А.
Внимание, если производить измерение тока, многократно превышающего 200 мА при нахождении вилки щупа в розетке mA, то мультиметр можно вывести из строя. Если величина измеряемого тока не известна, то измерения нужно начинать, установив предел измерения 10 А
Если ток будет менее 200 мА, то тогда уже переключить прибор в соответствующее положение. Переключение режимов измерения мультиметра допустимо делать только обесточив измеряемую цепь
Если величина измеряемого тока не известна, то измерения нужно начинать, установив предел измерения 10 А. Если ток будет менее 200 мА, то тогда уже переключить прибор в соответствующее положение. Переключение режимов измерения мультиметра допустимо делать только обесточив измеряемую цепь






















![§ 104. измерение сопротивлений [1970 кузнецов м.и. - основы электротехники]](http://mtrufa.ru/wp-content/uploads/1/0/7/1070a35253b1b09ee9c9e1d9ff956b61.jpeg)



